2024-11
21
山东赛锐特公司赴广东省医疗器械质量监督检验所提供专业服务
近日,山东赛锐特公司派遣专业团队前往广东省医疗器械质量监督检验所,为其提供的多款高端测试仪器进行售后维护和技术支持。此次售后的仪器包括输卵管导管头端抗弯曲性能测试仪、呼吸过滤器评价过滤性能盐性测试仪以及输尿管性能测试仪,这些设备在医疗器械的质量监督与检测中发挥着至关重要的作用。 输卵管导管···
查看详细 +
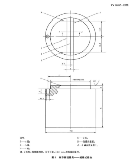
细节再现工装-细节再现器具-划线试验块
符合标准:
YY/T 0462-2018,7.7细节再现
介绍:
试验块:带如图6和图7中所示的划线,由硬化不锈钢材质(400VHN)制成。
环形模具:如图8所示。按GB/T131-2006,表面粗糙度为N5(Ra=0.4μm).
开口模具:如图9所示。按GB/T131-2006,表面粗糙度为N5(Ra=0.4μm).


